- НаличиеВ наличии
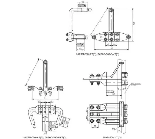
Аппаратные зажимы типов 3А2АП, ЗААП, 4А6АП и 5А2АП предназначены для надежного крепления и соединения проводов и грозозащитных тросов на воздушных линиях электропередачи (ЛЭП). Они обеспечивают стабильный электрический контакт и механическую прочность, что критически важно для бесперебойной работы энергосистем.
Использование качественных зажимов позволяет повысить надежность и долговечность линий, снизить риски аварий и обрывов. Это ключевой элемент для безопасной и эффективной передачи электроэнергии, обеспечивающий минимальное переходное сопротивление и коррозионную стойкость.
Мы предлагаем зажимы различной массы (от 8,3 до 32,7 кг) и маркировки, включая 3А2АП-500-3, 3А2АП-500-4А, 4А6АП-640-1Б, 5А2АП-500-1 и другие. Это позволяет подобрать оптимальное решение для конкретных проектных требований и сечения проводов.
Заказывайте необходимое количество зажимов онлайн с доставкой по Беларуси. Работаем с юридическими лицами по безналичному расчету. Получите коммерческое предложение в кратчайшие сроки.
Нет отзывов об этом товаре.
Пока нет вопросов об этом товаре. Станьте первым!
